CARD ĐIỀU KHIỂN LED MA TRẬN FULL MÀU HD - WF2
Card HD- WF2 (7 màu) được trang bị 2 cổng HUB75E. Nó là phiên bản đầy đủ màu của card điểu khiển. Hỗ trợ Wi-Fi và U-disk để cập nhật chương trình. Phù hợp cho màn hình LED dây cửa, màn hình bảng hiệu cửa hàng, màn hình gắn trên xe và các loại khác.
Phần mềm hỗ trợ: HD2020 và LedArt(APP)
Card HD- WF2 (7 màu) được trang bị 2 cổng HUB75E. Nó là phiên bản đầy đủ màu của card điểu khiển. Hỗ trợ Wi-Fi và U-disk để cập nhật chương trình. Phù hợp cho màn hình LED dây cửa, màn hình bảng hiệu cửa hàng, màn hình gắn trên xe và các loại khác.
Phần mềm hỗ trợ: HD2020 và LedArt(APP)
Lưu ý :
- Để card điều khiển hoạt động bình thường, hãy đảm bảo pin trên card điều khiển không bị lỏng
- Nhằm đảm bảo hệ thống hoạt động lâu dài, hãy cố gắng sử dụng điện áp tiêu chuẩn 5V

Thông số kỹ thuật:
| Tính năng | Mô tả |
| Module hỗ trợ | Hỗ trợ module đầy đủ màu cổng HUB75, hỗ trợ IC thông thường và ICN2038 |
| Chế độ quét | Hỗ trợ chế độ tĩnh, 1/32S |
| Vùng điều khiển | 1280*32, 768*64, 384*128 |
| Cổng giao tiếp | Wi-Fi, U-disk |
| Dung lượng flash | 8M byte |
| Hỗ trợ RGB | Module đầy đủ màu có thể hiển thị đỏ, xanh lá, xanh dương, vàng, tím, trắng |
| Mức xám | 8 cấp độ, hỗ trợ văn bản đầy đủ màu |
| Số lượng chương trình | 999 chương trình, hỗ trợ nút đổi chương trình bằng điều khiển từ xa qua Wifi |
| Số lượng vùng | 20 vùng riêng biệt, và phiên biệt giữa hiệu ứng đặc biệt và hiệu ứng nền |
| Màn hình hiển thị | Văn bản, chữ động, chữ 3D, hình ảnh và văn bản(hình ảnh, SWF), excel, thời gian, nhiệt độ(độ ẩm), timing, bộ đếm, âm lịch |
| Màn hình chuyển đổi tự động | Hỗ trợ chuyển đổi hẹn giờ |
| Làm mờ | Hỗ trợ cài đặt độ sáng, cài đặt thay đổi độ sáng theo thời gian |
| Nguồn cung cấp | USB Micro, 5V tiêu chuẩn |
| Chứng nhận | CE, FCC, RoHS |
Định nghĩa cổng:

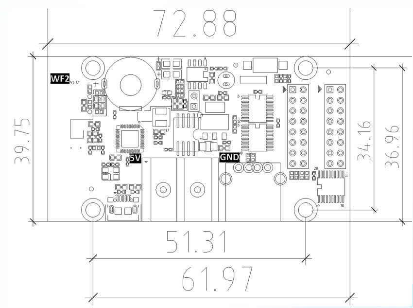
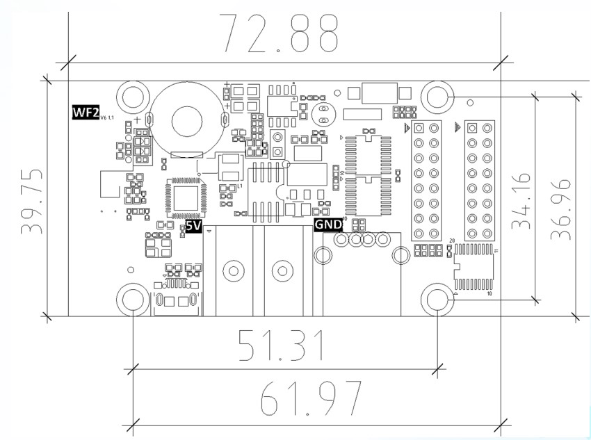
Bản vẽ kích thước:
ĐƠN VỊ CUNG CẤP LED UY TÍN
- CHI NHÁNH VIETLED THỦ ĐỨC
ĐC : 15B QL1K, Phường Linh Xuân, TP Thủ Đức
ĐT : 0974.423.428 - 0971.793.839
- CHI NHÁNH VIETLED BIÊN HÒA
DC: 1090 Nguyễn Ái Quốc Biên Hòa , Đồng Nai
DT: 0961.978.265 - 097.179.38.39
- CHI NHÁNH VIETLED GÒ VẤP
ĐC : 259 Nguyễn Oanh, Phường 17, Quận Gò Vấp
ĐT : 097.889.92.94
- CHI NHÁNH VIETLED THỦ DẦU MỘT
ĐC : 500 Đại Lộ Bình Dương, phường Hiệp Thành TP Thủ Dầu Một, Tỉnh Bình Dương
ĐT : 0911.150.158
- CHI NHÁNH VIETLED QUẬN 12
ĐC : 62h/3 Đường nguyễn Ảnh Thủ, Phường Hiệp Thành , Quận 12
ĐT : 0984.849.294